联系我们
在线留言
主页
产品中心
齿轮
回转轴承
回转减速器
串联式滚子轴承
主轴轴承
圆柱滚子轴承
交叉滚子轴承
薄壁轴承
转台轴承
圆锥滚子轴承
调心滚子轴承
推力滚子轴承
推力球轴承
销售中心
关于我们
应用领域
生产&质检
质量管控
工厂
首页
>
锦硕轴承
>
主轴轴承
> 70 系列
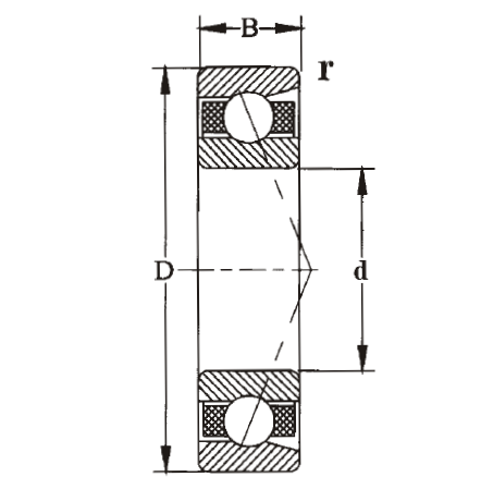
型号:
d:
D:
B:
70 系列
实物图
二维图
主轴轴承在机床中至关重要,可确保高速旋转且摩擦和振动最小。它们通常使用角接触球轴承或圆柱滚子轴承,专门用于处理轴向和径向载荷。这些轴承专为精度和耐用性而设计,可支撑车床和铣床等机床的主轴。
PDF
联系人 :
电话 :
E-mail :
内容 :
验证码:
选择
询价
轴承型号
外形尺寸(mm)
基本额定载荷(kN)
限制速度(rpm )
质量
d
D
B
基本额定动载荷(Cr)
基本额定静载荷(Cor)
限制速度 油脂
限制速度 油
Kg
7000C
10
26
8
4.9
2.1
24000
32000
0.019
7001C
12
28
8
5.4
2.6
22000
28000
0.021
7002C
15
32
9
6.2
3.3
19000
25000
0.03
7003C
17
35
10
6.6
3.6
16000
22000
0.04
7004C
20
42
12
10.4
6
14000
19000
0.064
7005C
25
47
12
11.6
7.4
12000
17000
0.074
7006C
30
55
13
15.1
10.2
9500
14000
0.11
7007C
35
62
14
18.2
12.7
8500
12000
0.15
7008C
40
68
15
19.7
14.9
8000
11000
0.18
7009C
45
75
16
25.9
20.2
7500
10000
0.23
7010C
50
80
16
26.6
21.8
6700
9000
0.25
7011C
55
90
18
38.9
29.5
6000
8000
0.38
7012C
60
95
18
40.9
33.1
5600
7500
0.4
7013C
65
100
18
40.1
35.3
5300
7000
0.43
7014C
70
110
20
48.3
43.1
5000
6700
0.6
7015C
75
115
20
49.6
45.9
4800
6300
0.63
7016C
80
125
22
58.9
54.7
4500
6000
0.85
7017C
85
130
22
58.1
55.9
4300
5600
0.89
7018C
90
140
24
71.7
68.7
4000
5300
1.15
7019C
95
145
24
73.5
73.1
3800
5000
1.2
7020C
100
150
24
74.4
72.5
3800
5000
1.25
7021C
105
160
26
80.6
81.1
3600
4800
1.6
7022C
110
170
28
101.4
100.3
3400
4600
1.95
7024C
120
180
28
108.6
110.7
2800
3800
2.1
7026C
130
200
33
129.4
134.7
2600
3400
3.33
7028C
140
210
33
153.4
160.5
2400
3200
3.46
7030C
150
225
35
183.9
194.2
2200
3000
4.8
7032C
160
240
38
200.1
219.4
2000
2800
5.26
7000AC
10
26
8
4.7
2.1
24000
32000
0.019
7001AC
12
28
8
5.1
2.4
22000
28000
0.021
上一页
1
2
下一页