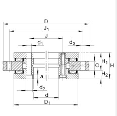
型号:
d:
D:
B:

转台轴承

转台轴承
  • 转台轴承
  • 转台轴承
  • 转台轴承

YRT转台轴承具有 P4 精度等级,可提供出色的运行精度、较低的工作温度和较低的噪音。它还拥有更大的承载能力和更好的轴承刚度控制,这是通过严格控制预载来实现的。通过添加推力垫圈,它可以提高轴向刚度并有效地管理来自多个方向的负载。

选择询价编码基本尺寸(mm)装配孔跳动(um)No. of Retaining Screws提取线No. of pitches X angle of pitches螺钉紧固扭矩(Nm)基本额定载荷(KN)限制速度(r/min)轴承摩擦力矩(Nm)重量(kg)
d公差D公差H公差TCd1dndm内圈外圈GQTYXt QTYMAAxialRadial限制速度 油脂
dodsTsQTYdLQTYCaCoaCrCor
YRT50 50 0 ~ -0.008 126 0 ~ -0.011 30 ± 0.125 20 10 105 63 116 5.6 -- -- 10 5.6 12 2 2 ---- ---- 12 × 30° 8.5 38 158 28.5 49.5 440 2.5 1.6
YRT80 80 0 ~ -0.009 146 0 ~ -0.011 35 ± 0.15 23.35 12 130 92 138 5.6 10 4 10 4.6 12 3 2 ---- ---- 12 × 30° 8.5 56 280 44 98 350 3 2.4
YRT100 100 0 ~ -0.01 185 0 ~ -0.015 38 ± 0.175 25 12 160 112 170 5.6 10 5.4 16 5.6 15 3 2 M5 3 18 × 20° 8.5 73 370 52 108 280 3 4.1
YRT120 120 0 ~ -0.01 210 0 ~ -0.015 40 ± 0.175 26 12 184 135 195 7 11 6.2 22 7 21 3 2 M8 3 24 × 15° 14 80 445 70 148 230 7 5.3
YRT150 150 0 ~ -0.013 240 0 ~ -0.015 40 ± 0.175 26 12 214 165 225 7 11 6.2 34 7 33 3 2 M8 3 36 × 10° 14 85 510 77 179 210 10 6.2
YRT180 180 0 ~ -0.013 280 0 ~ -0.018 43 ± 0.175 29 15 244 194 260 7 11 6.2 46 7 45 4 2 M8 3 48 × 7.5° 14 92 580 83 209 190 12 7.7
YRT200 200 0 ~ -0.015 300 0 ~ -0.018 45 ± 0.175 30 15 274 215 285 7 11 6.2 46 7 45 4 2 M8 3 48 × 7.5° 14 98 650 89 236 170 14 9.7
YRT260 260 0 ~ -0.018 385 0 ~ -0.02 55 ± 0.2 36.5 18 345 280 365 9.3 15 8.2 34 9.3 33 6 2 M12 3 36 × 10° 34 109 810 102 310 130 20 18.3
YRT325 325 0 ~ -0.023 450 0 ~ -0.023 60 ±0.2 40 20 415 342 430 9.3 15 8.2 34 9.3 33 6 2 M12 3 36 × 10° 34 186 1710 134 415 110 40 25
YRT395 395 0 ~ -0.023 525 0 ~ -0.028 65 ±0.2 42.5 20 486 415 505 9.3 15 8.2 46 9.3 45 6 2 M12 3 48 × 7.5° 34 202 2010 133 435 90 55 33
YRT460 460 0 ~ -0.023 600 0 ~ -0.028 70 ± 0.225 46 22 560 482 580 9.3 15 8.2 46 9.3 45 6 2 M12 3 48 × 7.5° 34 217 2300 187 650 80 70 45
YRT580 580 0 ~ -0.025 750 0 ~ -0.035 90 ±0.25 60 30 700 610 720 11.4 18 11 46 11.4 42 10 2 M12 6 48 × 7.5° 68 390 3600 211 820 60 140 89
YRT650 650 0 ~ -0.038 870 0 ~ -0.05 122 ±0.25 78 34 800 680 830 14 20 13 46 14 42 10 2 M12 6 48 × 7.5° 116 495 5200 415 1500 55 200 170
YRT850 850 0 ~ -0.05 1095 0 ~ -0.063 124 ± 0.3 80.5 37 1018 890 1055 18 26 17 58 18 54 12 2 M16 6 60 × 6° 284 560 6600 475 1970 40 300 253
YRT950 950 0 ~ -0.05 1200 0 ~ -0.063 132 ±0.3 86 40 1130 990 1160 18 26 17 58 18 54 16 2 M16 6 60 × 6° 284 1040 10300 600 2450 40 600 312
YRT1030 1030 1300 145 92.5 40 1215 1075 1255 18 26 17 60 18 66 12 2 M16 6 72x5 ° 284 1380 12000 620 2650 35 800 375