
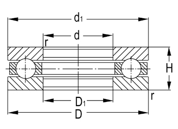
推力球轴承用于承受单向轴向载荷,是需要高负载能力和精确轴向对准的应用的理想选择。这些轴承由轴垫圈、轴承座垫圈以及球和保持架组件组成,可实现高效的推力传输,摩擦最小。它们通常用于汽车变速器、农业机械和工业设备。
| 选择 | 询价 | 名称 | 基本尺寸(mm) | 基本额定载荷(KN) | 限制速度(rpm) | 重量 | ||||
|---|---|---|---|---|---|---|---|---|---|---|
| d | D | T | 基本额定动载荷(Cr) | 基本额定静载荷(Cor) | 限制速度 油脂 | 限制速度 油 | (kg) | |||
| 51103 | 17 | 30 | 9 | 10.8 | 18.2 | 5300 | 7500 | 0.024 | ||
| 51104 | 20 | 35 | 10 | 14.2 | 24.5 | 4800 | 6700 | 0.036 | ||
| 51105 | 25 | 42 | 11 | 15.2 | 30.2 | 4300 | 6000 | 0.055 | ||
| 51106 | 30 | 47 | 11 | 16 | 34.2 | 4000 | 5600 | 0.062 | ||
| 51107 | 35 | 52 | 12 | 18.2 | 41.5 | 3800 | 5300 | 0.077 | ||
| 51108 | 40 | 60 | 13 | 26.8 | 62.8 | 3400 | 4800 | 0.11 | ||
| 51109 | 45 | 65 | 14 | 27 | 66 | 3200 | 4500 | 0.14 | ||
| 51110 | 50 | 70 | 14 | 27.2 | 69.2 | 3000 | 4300 | 0.15 | ||
| 51111 | 55 | 78 | 16 | 33.8 | 89.2 | 2800 | 4000 | 0.22 | ||
| 51112 | 60 | 85 | 17 | 40.2 | 108 | 2600 | 3800 | 0.27 | ||
| 51113 | 65 | 90 | 18 | 40.5 | 112 | 2400 | 3600 | 0.31 | ||
| 51114 | 70 | 95 | 18 | 40.8 | 115 | 2200 | 3400 | 0.33 | ||
| 51115 | 75 | 100 | 19 | 48.2 | 140 | 2000 | 3200 | 0.38 | ||
| 51116 | 80 | 105 | 19 | 48.5 | 145 | 1900 | 3000 | 0.4 | ||