
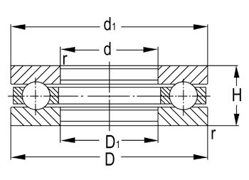
推力球轴承用于承受单向轴向载荷,是需要高负载能力和精确轴向对准的应用的理想选择。这些轴承由轴垫圈、轴承座垫圈以及球和保持架组件组成,可实现高效的推力传输,摩擦最小。它们通常用于汽车变速器、农业机械和工业设备。
| 选择 | 询价 | 名称 | 基本尺寸(mm) | 基本额定载荷(KN) | 限制速度(rpm) | 重量 | ||||
|---|---|---|---|---|---|---|---|---|---|---|
| d | D | T | 基本额定动载荷(Cr) | 基本额定静载荷(Cor) | 限制速度 油脂 | 限制速度 油 | (kg) | |||
| 51203 | 17 | 35 | 12 | 17 | 27.2 | 4500 | 6300 | 0.048 | ||
| 51204 | 20 | 40 | 14 | 22.2 | 37.5 | 3800 | 5300 | 0.075 | ||
| 51205 | 25 | 47 | 15 | 27.8 | 50.5 | 3400 | 4800 | 0.11 | ||
| 51206 | 30 | 52 | 16 | 28 | 54.2 | 3200 | 4500 | 0.13 | ||
| 51207 | 35 | 62 | 18 | 39.2 | 78.2 | 2800 | 4000 | 0.21 | ||
| 51208 | 40 | 68 | 19 | 47 | 98.2 | 2400 | 3600 | 0.26 | ||
| 51209 | 45 | 73 | 20 | 47.8 | 105 | 2200 | 3400 | 0.3 | ||
| 51210 | 50 | 78 | 22 | 48.5 | 112 | 2000 | 3200 | 0.37 | ||
| 51211 | 55 | 90 | 25 | 67.5 | 158 | 1900 | 3000 | 0.58 | ||
| 51212 | 60 | 95 | 26 | 73.5 | 178 | 1800 | 2800 | 0.66 | ||
| 51213 | 65 | 100 | 27 | 74.8 | 188 | 1700 | 2600 | 0.72 | ||
| 51214 | 70 | 105 | 27 | 73.5 | 188 | 1600 | 2400 | 0.75 | ||
| 51215 | 75 | 110 | 27 | 74.8 | 198 | 1500 | 2200 | 0.82 | ||
| 51216 | 80 | 115 | 28 | 83.8 | 222 | 1400 | 2000 | 0.9 | ||
| 51217 | 85 | 125 | 31 | 102 | 280 | 1300 | 1900 | 1.21 | ||
| 51218 | 90 | 135 | 35 | 115 | 315 | 1200 | 1800 | 1.65 | ||
| 51220 | 100 | 150 | 38 | 132 | 375 | 1100 | 1700 | 2.21 | ||
| 51222 | 110 | 160 | 38 | 138 | 412 | 1000 | 1600 | 2.39 | ||