联系我们
在线留言
主页
产品中心
齿轮
回转轴承
回转减速器
串联式滚子轴承
主轴轴承
圆柱滚子轴承
交叉滚子轴承
薄壁轴承
转台轴承
圆锥滚子轴承
调心滚子轴承
推力滚子轴承
推力球轴承
销售中心
关于我们
应用领域
生产&质检
质量管控
工厂
首页
>
锦硕轴承
>
主轴轴承
> 72 系列
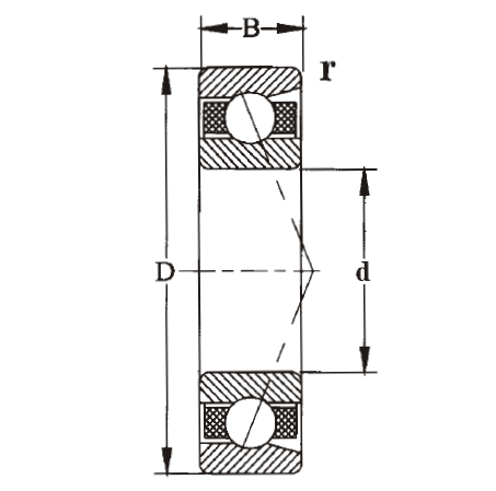
型号:
d:
D:
B:
72 系列
实物图
二维图
主轴轴承在机床中至关重要,可确保高速旋转且摩擦和振动最小。它们通常使用角接触球轴承或圆柱滚子轴承,专门用于处理轴向和径向载荷。这些轴承专为精度和耐用性而设计,可支撑车床和铣床等机床的主轴。
PDF
联系人 :
电话 :
E-mail :
内容 :
验证码:
选择
询价
轴承型号
外形尺寸(mm)
基本额定载荷(kN)
限制速度(rpm )
质量
d
D
B
基本额定动载荷(Cr)
基本额定静载荷(Cor)
限制速度 油脂
限制速度 油
Kg
7200C
10
30
9
5.5
2.8
22000
28000
0.032
7201C
12
32
10
7.9
3.8
20000
25000
0.037
7202C
15
35
11
9.2
4.9
17000
22000
0.045
7203C
17
40
12
10.8
5.8
15000
20000
0.062
7204C
20
47
14
14.5
8.1
13000
18000
0.1
7205C
25
52
15
16.5
10
11000
16000
0.12
7206C
30
62
16
23
14.7
9000
13000
0.19
7207C
35
72
17
30.3
20
8000
11000
0.28
7208C
40
80
18
38.4
26.3
7500
10000
0.37
7209C
45
85
19
40.4
29.3
6700
9000
0.41
7210C
50
90
20
42.8
31.3
6300
8500
0.46
7211C
55
100
21
53.2
39.9
5600
7000
0.61
7212C
60
110
22
61
48.2
5300
7000
0.8
7213C
65
120
23
69.8
54.4
4800
6300
1
7214C
70
125
24
72.8
59.7
4500
5800
1.1
7215C
75
130
25
79.2
65.6
4300
5600
1.2
7216C
80
140
26
92.5
66.2
4000
5300
1.45
7217C
85
150
28
99.7
84.6
3800
5000
1.8
7218C
90
160
30
128
111.7
3600
4800
2.25
7219C
95
170
32
134.6
112.2
3400
4500
2.7
7220C
100
180
34
149.1
125.4
3200
4300
3.25
7221C
105
190
36
166.6
138.6
3000
4000
3.85
7222C
110
200
38
184.7
154.8
2800
3800
4.55
7224C
120
215
40
203.1
178.4
2400
3400
5.4
7226C
130
230
40
206.6
209.2
2000
3000
6.45
7200AC
10
30
9
5.5
2.8
22000
28000
0.032
7201AC
12
32
10
7.6
3.6
20000
25000
0.037
7202AC
15
35
11
8.9
4.8
17000
22000
0.045
7203AC
17
40
12
10.4
5.6
15000
20000
0.062
7204AC
20
47
14
14
7.8
13000
18000
0.1
上一页
1
2
下一页