联系我们
在线留言
主页
产品中心
齿轮
回转轴承
回转减速器
串联式滚子轴承
主轴轴承
圆柱滚子轴承
交叉滚子轴承
薄壁轴承
转台轴承
圆锥滚子轴承
调心滚子轴承
推力滚子轴承
推力球轴承
销售中心
关于我们
应用领域
生产&质检
质量管控
工厂
首页
>
锦硕轴承
>
主轴轴承
> 73 系列
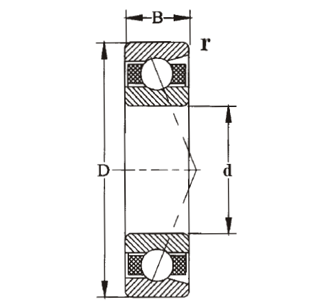
型号:
d:
D:
B:
73 系列
实物图
二维图
主轴轴承在机床中至关重要,可确保高速旋转且摩擦和振动最小。它们通常使用角接触球轴承或圆柱滚子轴承,专门用于处理轴向和径向载荷。这些轴承专为精度和耐用性而设计,可支撑车床和铣床等机床的主轴。
PDF
联系人 :
电话 :
E-mail :
内容 :
验证码:
选择
询价
轴承型号
外形尺寸(mm)
基本额定载荷(kN)
限制速度(rpm )
质量
d
D
B
基本额定动载荷(Cr)
额定静载荷
限制速度 油脂
限制速度 油
Kg
7300C
10
35
11
9.8
4.6
18000
26000
0.053
7301C
12
37
12
11.8
5.6
17000
24000
0.06
7302C
15
42
13
13.2
6.7
15000
21000
0.084
7303C
17
47
14
15.7
8.2
13000
19000
0.16
7304C
20
52
15
18.4
9.8
12000
17000
0.15
7305C
25
62
17
27.8
15.9
9500
14000
0.23
7306C
30
72
19
33.2
21.2
8500
12000
0.35
7307C
35
80
21
40.3
25.8
7500
10000
0.47
7308C
40
90
23
49.3
32.3
6700
9000
0.66
7309C
45
100
25
63.1
42.9
6000
8000
0.86
7310C
50
110
27
74.9
50.9
5600
7500
1.08
7311C
55
120
29
86.4
59.5
5000
6700
1.42
7312C
60
130
31
98.6
68.5
4800
6300
1.71
7313C
65
140
33
113.1
79.6
4300
5600
2.23
7314C
70
150
35
126
91.6
4000
5300
2.67
7315C
75
160
37
140.7
103.9
3800
5000
3.1
7316C
80
170
39
156.1
112.2
3600
4800
3.6
7317C
85
180
41
160.7
130.5
3400
4500
4.38
7318C
90
190
43
184.9
159.9
3200
4300
5.6
7319C
95
200
45
201.1
179.8
3200
4200
6.6
7320C
100
215
47
222.1
206.7
3000
4000
7.58
7321C
105
225
49
235.8
225.6
2800
3800
8.85
7322C
110
240
50
263.2
261.9
2600
3600
10.5
7300AC
10
35
11
9.5
4.4
18000
26000
0.053
7301AC
12
37
12
11.5
5.4
17000
24000
0.06
7302AC
15
42
13
12.5
6.2
15000
21000
0.084
7303AC
17
47
14
15
7.7
13000
19000
0.16
7304AC
20
52
15
17.9
9.6
12000
17000
0.15
7305AC
25
62
17
27
15.6
9500
14000
0.23
7306AC
30
72
19
32.8
20.4
8500
12000
0.35
上一页
1
2
下一页