联系我们
在线留言
主页
产品中心
齿轮
回转轴承
回转减速器
串联式滚子轴承
主轴轴承
圆柱滚子轴承
交叉滚子轴承
薄壁轴承
转台轴承
圆锥滚子轴承
调心滚子轴承
推力滚子轴承
推力球轴承
销售中心
关于我们
应用领域
生产&质检
质量管控
工厂
首页
>
锦硕轴承
>
圆锥滚子轴承
> 公制系列圆锥滚子轴承
型号:
d:
D:
B:
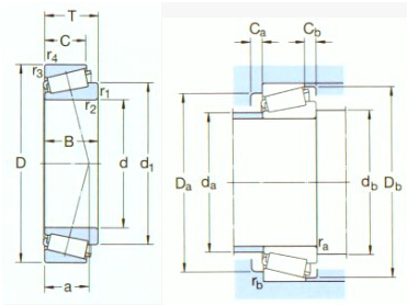
公制系列圆锥滚子轴承
实物图
二维图
圆锥滚子轴承是汽车、工业和重型机械应用中必不可少的部件,因其能够承受径向和轴向载荷而闻名。这些轴承具有内圈和外圈滚道,圆锥滚子以单列或双列配置排列。
PDF
联系人 :
电话 :
E-mail :
内容 :
验证码:
选择
询价
型号
主要尺寸(mm)
基本额定载荷(KN)
Pu
限制速度(rpm)
重量(Kg)
ISO335
尺寸 (mm)
安装尺寸 (mm)
价值
d1
D
B
基本额定动载荷(Cr)
基本额定静载荷(Cor)
额定功率
限制速度
尺寸 (ABMA)
d
d1~
B
C
r1,2(min)
r3,4(min)
a
da(max)
db(min)
Da(min)
Da(max)
Db(min)
Ca(min)
Cb(min)
ra(max)
rb(max)
e
Y
Yo
33010/Q
50
80
24
80
102
11,4
6300
8000
0,45
2CE
50
64,9
24
19
1
1
17
56
56
72
74
76
4
5
1
1
0,31
1,9
1,1
33011/Q
55
90
27
104
137
15,3
5600
7000
0,67
2CE
55
72,9
27
21
1,5
1,5
19
63
62
81
83
86
5
6
1,5
1,5
0,31
1,9
1,1
33012/Q
60
95
27
106
143
16
5300
6700
0,71
2CE
60
77,1
27
21
1,5
1,5
20
67
67
85
88
90
5
6
1,5
1,5
0,33
1,8
1
33013/Q
65
100
27
110
153
17,3
5000
6300
0,78
2CE
65
82,5
27
21
1,5
1,5
21
72
72
89
93
96
5
6
1,5
1,5
0,35
1,7
0,9
33014
70
110
31
130
196
22,8
4300
5600
1,10
2CE
70
88,8
31
25,5
1,5
1,5
23
78
77
99
103
105
5
5,5
1,5
1,5
0,28
2,1
1,1
33015/Q
75
115
31
134
228
26
4000
5300
1,15
2CE
75
95
31
25,5
1,5
1,5
23
84
82
104
108
110
6
5,5
1,5
1,5
0,3
2
1,1
33016/Q
80
125
36
168
285
32
3600
5000
1,65
2CE
80
102
36
29,5
1,5
1,5
26
90
87
112
117
119
6
6,5
1,5
1,5
0,28
2,1
1,1
33017/Q
85
130
36
183
310
34,5
3600
4800
1,75
2CE
85
107
36
29,5
1,5
1,5
26
94
92
118
122
125
6
6,5
1,5
1,5
0,3
2
1,1
33018/Q
90
140
39
216
355
39
3200
4500
2,20
2CE
90
113
39
32,5
2
1,5
27
100
98
127
132
135
7
6,5
2
1,5
0,27
2,2
1,3
33019/Q
95
145
39
220
375
40,5
3200
4300
2,30
2CE
95
118
39
32,5
2
1,5
28
104
104
131
138
139
7
6,5
2
1,5
0,28
2,1
1,1
33020/Q
100
150
39
224
390
41,5
3000
4000
2,40
2CE
100
122
39
32,5
2
1,5
29
109
108
135
142
143
7
6,5
2
1,5
0,3
2
1,1
33021/Q
105
160
43
246
430
45,5
2800
3800
3,05
2DE
105
131
43
34
2,5
2
31
117
116
145
150
153
7
9
2
2
0,28
2,1
1,1
33022
110
170
47
281
500
53
2600
3600
3,85
2DE
110
139
47
37
2,5
2
34
123
121
152
160
161
7
10
2
2
0,28
2,1
1,1
33024
120
180
48
292
540
56
2600
3400
4,20
2DE
120
149
48
38
2,5
2
36
132
131
160
170
171
6
10
2
2
0,3
2
1,1
33030
150
225
59
457
865
86,5
2000
2600
8,15
2EE
150
188
59
46
3
2,5
48
164
162
200
213
217
8
13
2,5
2
0,37
1,6
0,9
31330XJ2
150
320
82
781
1020
100
1400
2000
29,5
7GB
150
234
75
50
5
4
96
181
170
251
303
300
9
32
4
3
0,83
0,72
0,4
30352J2
260
540
113
2120
3050
250
850
1200
110
-
260
376
102
85
6
6
97
325
286
461
514
493
15
28
5
5
0,35
1,7
0,9
30332J2
160
340
75
913
1180
114
1500
2000
29,0
2GB
160
233
68
58
5
4
61
201
180
290
323
310
9
17
4
3
0,35
1,7
0,9
33030
150
225
59
457
865
86,5
2000
2600
8,15
2EE
150
188
59
46
3
2,5
48
164
162
200
213
217
8
13
2,5
2
0,37
1,6
0,9
30326J2
130
280
63,75
627
800
83
1800
2400
17,0
2GB
130
196
58
49
5
4
51
164
150
239
263
255
8
14,5
4
3
0,35
1,7
0,9
30324J2
120
260
59,5
561
710
73,5
2000
2600
14,0
2GB
120
178
55
46
4
3
47
153
135
221
245
237
7
13,5
3
2,5
0,35
1,7
0,9
30322J2
110
240
54,5
473
585
62
2200
2800
11,0
2GB
110
165
50
42
4
3
43
142
125
206
226
220
8
12,5
3
2,5
0,35
1,7
0,9
30320J2
100
215
51,5
402
490
53
2400
3200
8,05
2GB
100
148
47
39
4
3
40
127
115
184
201
197
6
12,5
3
2,5
0,35
1,7
0,9
30319
95
200
49,5
330
390
42,5
2600
3400
6,70
2GB
95
139
45
38
4
3
39
118
110
172
186
184
6
11,5
3
2,5
0,35
1,7
0,9
30318J2
90
190
46,5
330
400
44
2600
4000
5,65
2GB
90
132
43
36
4
3
36
113
105
165
176
176
6
10,5
3
2,5
0,35
1,7
0,9
30317J2
85
180
44,5
303
365
40,5
2800
4000
4,85
2GB
85
126
41
34
4
3
35
107
99
156
166
167
6
10,5
3
2,5
0,35
1,7
0,9
30316J2
80
170
42,5
270
320
38
3000
4300
4,10
2GB
80
120
39
33
3
2,5
33
102
92
148
158
159
5
9,5
2,5
2
0,35
1,7
0,9
30315J2/Q
75
160
40
246
290
34
3200
4300
3,45
2GB
75
112
37
31
3
2,5
31
96
87
139
148
149
5
9
2,5
2
0,35
1,7
0,9
30314J2/Q
70
150
38
220
260
31
3400
4500
2,90
2GB
70
105
35
30
3
2,5
29
90
82
130
138
140
5
8
2,5
2
0,35
1,7
0,9
30313J2/Q
65
140
36
194
228
27,5
3600
4800
2,40
2GB
65
98,6
33
28
3
2,5
28
84
77
122
128
130
5
8
2,5
2
0,35
1,7
0,9
上一页
1
2
3
4
5
下一页