型号:
d:
D:
B:

无齿回转支承

无齿回转支承
  • 无齿回转支承

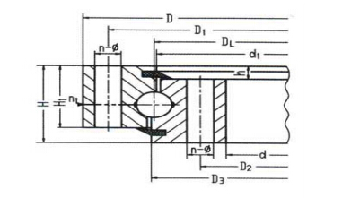
回转轴承是我们的主要产品之一,提供多种选项以满足各种应用需求。我们的产品选择包括四点接触球回转轴承,可以选择无齿、外齿或内齿;双排球回转轴承,同样提供无齿、外齿或内齿选项;以及交叉圆柱滚子回转轴承,亦有相同的配置可供选择。

选择询价工厂型号外径内径总高度重量
英寸尺寸公制尺寸(mm)英寸尺寸公制尺寸(mm)英寸尺寸公制尺寸(mm)重量(kgs)
LMTO-122 8.898 226 4.803 122 1.339 34 13 6
LMTO-122T 8.898 226 4.803 122 1.339 34 13 6
LMTO-143 9.803 249 5.63 143 1.339 34 15 7
LMTO-143T 9.803 249 5.63 143 1.339 34 16 7
LMTO-145 11.811 300 5.709 145 1.968 50 37 17
LMTO-145T 11.811 300 5.709 145 1.968 50 37 17
LMTO-145X 12.286 312 5.709 145 1.968 50 41 18
LMTO-170 12.205 310 6.693 170 1.811 46 33 15
LMTO-170T 12.205 310 6.693 170 1.811 46 33 15
LMTO-210 14.37 365 8.268 210 1.575 40 38 17
LMTO-210T 14.37 365 8.268 210 1.575 40 38 17
LMTO-210X 14.686 373 8.268 210 1.968 50 48 22
LMTO-265 16.535 420 10.433 265 1.968 50 54 24
LMTO-265T 16.535 420 10.433 265 1.968 50 54 24
LMTO-265X 17.086 434 10.433 265 1.968 50 51 23
LMTO-324T 20.486 520.4 12.75 324 2.062 52.4 105 47
LMTO-324X 20.486 520.4 12.77 324.4 2.375 60.3 105 47
LRK6-16P1Z 20.39 518 11.97 304 2.2 55.88 58 26
LRK6-22P1Z 25.51 648 17.09 434 2.2 55.88 76 34
LRK6-25P1Z 29.45 748 21.03 534 2.2 55.88 89 40
LRK6-29P1Z 33.39 848.1 24.97 634 2.2 55.88 104 47
LRK6-33P1Z 37.32 948 28.9 734 2.2 55.88 118 53
LRK6-37P1Z 41.26 1048 32.84 834 2.2 55.88 132 59
LRK6-43P1Z 47.17 1198.12 38.75 984 2.2 55.88 153 69
LHS6-16P1Z 20.4 518.2 12 305 2.2 55.88 50.5 23
LHS6-21P1Z 25.5 647.7 17 432 2.2 55.88 72.7 33
LHS6-25P1Z 29.5 749.3 21 533.4 2.2 55.88 91.8 41
LHS6-29P1Z 33.4 848.4 25 635 2.2 55.88 111.9 50
LHS6-33P1Z 37.4 950 28.83 732.3 2.2 55.88 128 58
LHS6-37P1Z 41.25 1048 32.83 834 2.2 55.88 130.9 59
上一页12下一页