Crossed roller Slewing bearing RKS.162.14.0744 with internal teeth
single row crossed cylindrical roller slewing bearings consisit of outer ring,inner ring and rolling element. Its in a variety of executions and sizes to meet the needs of particular applications.

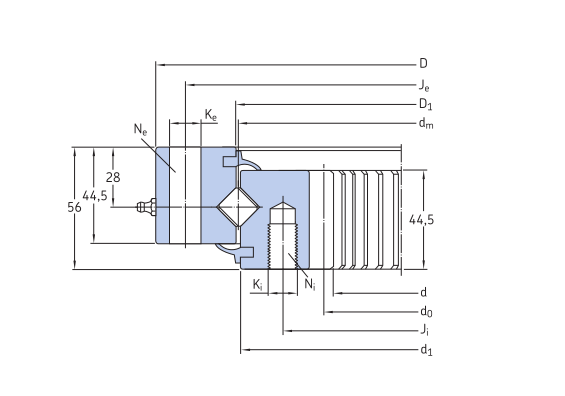
Bearing item:RKS.162.14.074
Bearing structure:single row crossed cylindrical roller slewing bearings with internal teeth
Bearing full size:816x649.2x56mm
Bearing outer diameter:816mm
Bearing inner diameter:649.2mm
Bearing width:56mm
Bearing shape:spur gear
Bearing position:Internal teeth
Gear data:
Module:6
Teeth Number:110pcs
Axial dynamic load:228KN
Static load Co:1070KN
Material:42CrMo,50Mn
Crossed cylindrical roller slewing bearings are manufactured with zero clearance or preload.
Package:strong wooden case