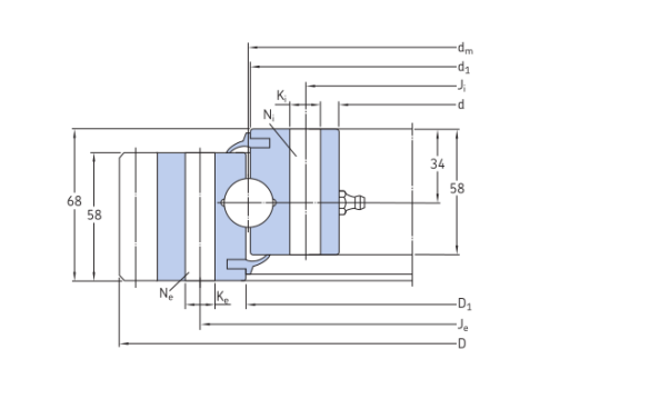
Slewing bearing rings teeth RKS.061.25.1204 size 1338x1119x68mm
Slewing ball bearings RKS.061.25.1204 belongs to Medium size four-point contact ball slewing bearings with an external gear. It consist of inner ring and outer ring with teeth and rolling elements. It will used for Mixers,Rolling mills,Machine tool drives,Vehicles,,Gearboxes,Robots
Wind power equipment,Leisure equipment and so on.

The bearing RKS.061.25.1204 specification as following:
The bearing item:RKS.061.25.1204
The bearing structure:four point contact ball slewing bearing with teeth gear
The bearing full size:1338X1119X68MM
The bearing outer diameter:1338mm
The bearing inner diameter:1119mm
The bearing width:68mm
The Rolling elements: steel ball
turntable bearings are generally used where rotational speed is slow, intermittent, and oscillatory.
Bearing mounting surfaces must be machined flat after all welding and stress relief treatment on the structures is complete.
The bearing teeth shape:spur gear
The bearing gear teeth data:
The bearing module:10
The bearing teeth number:131pcs
The delivery time:30 days
The bearing HS code:8482109000