
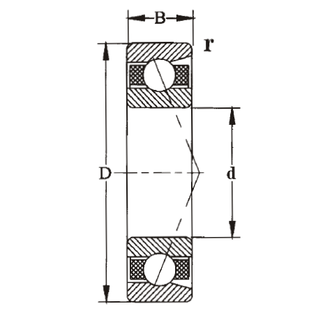
Main spindle bearings are crucial in machine tools, ensuring precise rotation at high speeds with minimal friction and vibration. They often use angular contact ball bearings or cylindrical roller bearings, tailored to handle axial and radial loads. Designed for accuracy and durability, these bearings support the main shaft of machine tools like lathes and milling machines.