
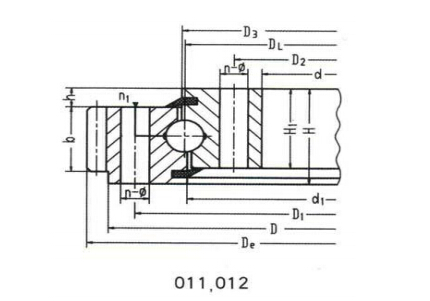
External-gear type slewing bearings are pivotal components designed with an external gear mechanism, strategically positioned around the bearing's circumference to facilitate controlled rotation and load distribution. These bearings are renowned for their robust construction and versatility in managing axial, radial, and moment loads in heavy-duty applications such as cranes, mining equipment, and offshore platforms. Engineered for precision and durability, external-gear type slewing bearings ensure smooth operational performance and stability under diverse working conditions. They are equipped with effective sealing arrangements to prevent contaminants and maintain optimal lubrication, thereby extending service life and reducing maintenance requirements. Available in various sizes and configurations, these bearings are tailored to meet specific industrial needs, offering reliable solutions for critical mechanical tasks.