
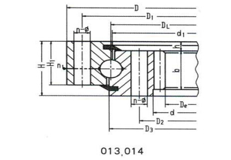
Internal-gear type slewing bearings are essential components known for their integrated internal gear mechanism, enabling efficient rotation and load management in various industrial applications. These bearings are characterized by their compact design and high load-bearing capacity, making them ideal for heavy-duty machinery such as construction equipment, cranes, wind turbines, and more. Engineered for smooth and precise movement, they ensure reliable performance in demanding environments. With effective sealing systems to prevent contamination and retain lubrication, internal-gear type slewing bearings offer durability and operational longevity. They are available in a range of sizes and configurations, tailored to meet specific application requirements and optimize mechanical performance across diverse industries.