
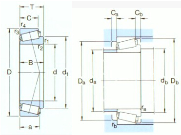
Tapered roller bearings are essential components known for their capability to support both radial and axial loads in automotive, industrial, and heavy machinery applications. These bearings feature inner and outer ring raceways with tapered rollers arranged in a single row or double row configuration.