
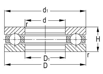
Thrust ball bearings are to handle axial loads in a single direction, making them ideal for applications requiring high load capacity and precise axial alignment. These bearings consist of a shaft washer, housing washer, and ball and cage assembly, allowing for efficient thrust transmission with minimal friction. They are commonly used in automotive transmissions, agricultural machinery, and industrial equipment.
| select | Inquiry | Designation | Principal Dimensions(mm) | Basic Load Ratings(KN) | Limited Speed(rpm) | Weight | ||||
|---|---|---|---|---|---|---|---|---|---|---|
| d | D | T | Dynamic(Cr) | Static(Cor) | Grease | Oil | (kg) | |||
| 51305 | 25 | 52 | 18 | 35.5 | 61.5 | 3000 | 4300 | 0.17 | ||
| 51306 | 30 | 60 | 21 | 42.8 | 78.5 | 2400 | 3600 | 0.26 | ||
| 51307 | 35 | 68 | 24 | 55.2 | 105 | 2000 | 3200 | 0.37 | ||
| 51308 | 40 | 78 | 26 | 69.2 | 135 | 1900 | 3000 | 0.53 | ||
| 51309 | 45 | 85 | 28 | 75.8 | 150 | 1700 | 2600 | 0.66 | ||
| 51310 | 50 | 95 | 31 | 96.5 | 202 | 1600 | 2400 | 0.92 | ||
| 51311 | 55 | 105 | 35 | 115 | 242 | 1500 | 2200 | 1.28 | ||
| 51312 | 60 | 110 | 35 | 118 | 262 | 1400 | 2000 | 1.37 | ||
| 51313 | 65 | 115 | 36 | 115 | 262 | 1300 | 1900 | 1.48 | ||
| 51314 | 70 | 125 | 40 | 148 | 340 | 1200 | 1800 | 1.98 | ||
| 51315 | 75 | 135 | 44 | 162 | 380 | 1100 | 1700 | 2.58 | ||
| 51316 | 80 | 140 | 44 | 160 | 380 | 1000 | 1600 | 2.69 | ||
| 51317 | 85 | 150 | 49 | 208 | 495 | 950 | 1500 | 3.47 | ||
| 51318 | 90 | 155 | 50 | 205 | 495 | 900 | 1400 | 3.69 | ||
| 51320 | 100 | 170 | 55 | 235 | 595 | 800 | 1200 | 4.86 | ||